Maldives

F Moldings Fry Reglet

Https Rselliott Com Wp Content Uploads 2020 02 Fry Reglet 3 1 19 Pdf

Https S3 Amazonaws Com Cbsinetfiles Cbsinetfiles Content Fry Reglet Resourceguide Pdf

Installation Detail Iso View Fry Reglet Installation Detail Iso View Fry Reglet Reveal Channel Screed Provides An Attractive Break When Used Horizontally 8 6 Dcs 625 600
dokumen.tips

Santa Fe Springs Ca Fry Reglet Corporation Fax Pdf Free Download
docplayer.net

Fry Reglect
www.caribbeanarchitectural.com

Https Www Buildsite Com Pdf Fryreglet Fry Reglet Reveals 740315 Pdf

Fry reglets fiber cement panel f molding creates a 12 traditional reveal at terminations of 516 fiber cement panels.

F moldings fry reglet. Available vented for use where soffit ventilation is required. Provides f reveal at wall to ceiling termination. Where indicated on drawings fry reglet reveals and moldings as manufactured by fry reglet corporation shall be installed.

Refer to finish section. Unleash the power of modern architectural design to create new perspectives for your world with fry reglet architectural metals and engineered systems. Fry reglet drmf 50 50 cc f reveal molding 12 inch depth a 12 height b.

Fry reglet veneer plaster f reveal is used to form wall trim reveal where drywall terminates. Our comprehensive line of millwork trims provides the architect and designer with a wide variety of extruded aluminum profiles designed to enhance traditional and modern projects. Specify color before adding to cart.

Drywall reveals and moldings fry reglet our architectural drywall trims and reveals provide the opportunity to shape and sculpt interior walls make seamless transitions and connect dissimilar materials. It includes the entire portfolio of standard shapes and categories including drywall reveals and moldings column covers panel reveals and more. Non cancellable or returnable.

Fry reglet f reveal creates a wall reveal transition between ceiling and wall or used vertically between a wall and other building material. Fry reglet aluminum reveals and moldings shall be extruded alloy 6063 t5 with chemical conversion coating primed finish clear anodized or other specified finish. Explore our shape finder.

Fry Reglet Fpm 75 50 F Reveal Molding 3 4x1 2 Inch Clear Anodized
bestmaterials.com

Quality Fry Reglet Distributor Long Island Suffolk County
mac-lad.com

Engineered Product Systems Fry Reglet Reveals Moldings Brochure Reveal Drywall Expansion Joint F Reveal Reveal Base Edge Trim F Reveal Corner Trim T Molding Radius
pdfslide.net

Https Www Buildsite Com Pdf Fryreglet Fry Reglet Design Guide Edition 17 1329001 Pdf

Fr Designguide 040615 Fry Reglet Home Fr Designguide 040615 Fry Reglet Home Pdf Pdf4pro
pdf4pro.com

Fry Reglet R S Elliott Specialty Supply
rselliott.com

Http Www Promatsolutions Com Assets Products Fry Reglet Specs 323170 Spec Pdf

Fry Reglet Architectural Drywall Reveals Youtube
www.youtube.com

Fry Reglet Reveal Fry Reglet Reveal Base Fry Reglet Reveal Moldings And Trim Baseboards Millwork Wall
www.pinterest.com

Https Www Buildsite Com Pdf Fryreglet Fry Reglet Reveals 740315 Pdf

Fry Reglet Edition15 Pdf Document
documents.pub

Https S3 Amazonaws Com Cbsinetfiles Cbsinetfiles Content Fry Reglet Resourceguide Pdf

Tamarack Materials Inc Fry Reglet
tamarackmaterials.com

Https S3 Amazonaws Com Cbsinetfiles Cbsinetfiles Content Fry Reglet Resourceguide Pdf

Image Result For Fry Reglet Led Base Hallway Designs Home Decor Interior Spaces
www.pinterest.com

Fry Reglet Edition15 Pdf Document
documents.pub

10 Ft Armstrong F Vertical Transition Molding For 5 8 In Drywall 7906 At Capitol Materials Inc
capmat.com

Engineered Product Systems Fry Reglet Reveals Moldings Brochure Reveal Drywall Expansion Joint F Reveal Reveal Base Edge Trim F Reveal Corner Trim T Molding Radius
pdfslide.net

Fry Reglet Reveals On Designer Pages
www.designerpages.com

Fry Reglet Reveals On Designer Pages
www.designerpages.com

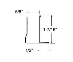
5 8 In X 5 8 In X 10 Ft Fry Reglet F Reveal Molding At Capitol Building Supply Inc
cbsi.net

Https S3 Amazonaws Com Cbsinetfiles Cbsinetfiles Content Fry Reglet Resourceguide Pdf

School Of Architecture Materials Lab
materials.soa.utexas.edu

Fry Reglet Z Reveal Molding Hospital Interior Architecture Details Window Reveal
www.pinterest.com

Https Www Buildsite Com Pdf Fryreglet Fry Reglet Reveals Moldings Product Brochure 1769986 Pdf

School Of Architecture Materials Lab
materials.soa.utexas.edu

Quality Fry Reglet Distributor Long Island Suffolk County
mac-lad.com

Drywall Expert Needed In Hartford Ct Help Wanted Or Looking For Work Contractor Talk
www.contractortalk.com

Quality Fry Reglet Distributor Long Island Suffolk County
mac-lad.com

Https Www Buildsite Com Pdf Fryreglet Fry Reglet Design Guide Edition 17 1329001 Pdf

3 4 In X 10 Ft Fry Reglet Clear Anodized Aluminum Reveal Picture Hanger At Badgerland Supply Inc
badgerlandsupply.com

Https Pdf4pro Com File 5910b Downloads Productresources Millwork Brochure E1 Pdf Pdf

Https S3 Amazonaws Com Cbsinetfiles Cbsinetfiles Content Fry Reglet Resourceguide Pdf

The New Standard Architect Magazine
www.architectmagazine.com

Architectural Reveal Bead Trim Tex Drywall Products
www.trim-tex.com

Santa Fe Springs Ca Fry Reglet Corporation Fax Pdf Free Download
docplayer.net

Fry Reglet Reveal Shadow U0026 Reveal Beads 5 33 Best Fry Reglet Images On Pinterest Architects Column Covers And Columns Mg8751jpg Fry Reglet Reveal Base Bathroom With Shower Curtain Dcs5050 Channel
www.tiznowrestaurant.com

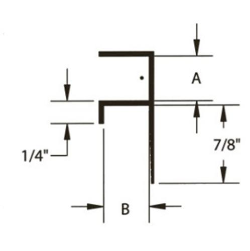
Product Detail Installation Detail Cross Detail Cross Section F Reveal Molding Product Detail Sizes Pa 4 Usage Fry Reglet F Reveal Molding Is Used To
pdfslide.net

Products Brand X Metals
brandxmetals.com

Fry Reglet Reveal Shadow U0026 Reveal Beads 5 33 Best Fry Reglet Images On Pinterest Architects Column Covers And Columns Mg8751jpg Fry Reglet Reveal Base Bathroom With Shower Curtain Dcs5050 Channel
www.tiznowrestaurant.com

Fry Reglet Reveals On Designer Pages
www.designerpages.com

Fry Reglet Trim Door Jamb 2yamaha Com
2yamaha.com

Fry Reglet Edition15 Pdf Document
documents.pub

Https Encrypted Tbn0 Gstatic Com Images Q Tbn 3aand9gcqraibjwsnbeeahw 6zroy5qvki S2txulhbalyvdbc6iezensu Usqp Cau
encrypted-tbn0.gstatic.com

F Reveal Molding Fry Reglet F Reveal Is Used To Form Wall Trim Reveal Where Drywall Terminates Against Sill Jamb Ceiling Or Other Finish Material In The Same Plane
dokumen.tips

Https Rselliott Com Wp Content Uploads 2020 02 Fry Reglet 3 1 19 Pdf

5 8 In X 3 4 In X 10 Ft Fry Reglet Clear Anodized Channel Screed At Badgerland Supply Inc
badgerlandsupply.com

Fry Reglet Drmh I 50 Reveal Picture Hanger Molding Insert 1
bestmaterials.com

Fry Reglet Drywall Control Joint 5 8 In X 3 16 In X 1 1 16 In X 10 Ft Fry Reglet Quot J Quot Molding At Capitol Materials Inc Fry
shefalitayal.com

The New Standard Architect Magazine
www.architectmagazine.com

3 4 In X 3 4 In X 10 Fry Reglet Clear Anodized F Reveal Molding At J B Materials
jbmaterials.com

Architectural Z Shadow Bead Trim Tex Drywall Products
www.trim-tex.com

Allied Building Products Drywall Accessories Fry Reglet Corp Drm62575 Reveal Molding 2leg Aluminum 5 8x3 4x10
www.alliedbuilding.com

Architectural Reveal Bead Trim Tex Drywall Products
www.trim-tex.com

Tamarack Materials Inc Fry Reglet
tamarackmaterials.com

Architectural Reveal Bead Trim Tex Drywall Products
www.trim-tex.com

Fry Reglet Edition15 Drywall Framing Construction
www.scribd.com

Stockton Products Xpm X Plaster Molding
www.stocktonproducts.com

Fry Reglect
www.caribbeanarchitectural.com

Quality Fry Reglet Distributor Long Island Suffolk County
mac-lad.com

Drywall Trims
www.drywalltrims.com

Fry Reglet Drmz 25 25 Z Reveal Molding Clear Anodized
bestmaterials.com

10 Ft X 1 3 16 In Armstrong F Molding 7856 At Capitol Materials Inc
capmat.com

Https Encrypted Tbn0 Gstatic Com Images Q Tbn 3aand9gct5wxzatv2mmzf4hi2gpzi9nafx22mml1wbgirqgge71fgtrdhh Usqp Cau
encrypted-tbn0.gstatic.com

Fry Reglect
www.caribbeanarchitectural.com

Fry Reglect
www.caribbeanarchitectural.com

Https S3 Amazonaws Com Cbsinetfiles Cbsinetfiles Content Fry Reglet Resourceguide Pdf

Vertex Properties Llc Community Facebook
www.facebook.com

Http Www Woodsource Com Cement Fiber Siding Reveal Panel Trim Pdf

F Reveal Molding Drmf 50 50 On Designer Pages
www.designerpages.com

Fry Reglet Tdm 50 75 T Molding 1 2x3 4 Inch Clear Anodized
www.bestmaterials.com

F Reveal Molding Fry Reglet F Reveal Is Used To Form Wall Trim Reveal Where Drywall Terminates Against Sill Jamb Ceiling Or Other Finish Material In The Same Plane
dokumen.tips

1 2 In X 3 16 In X 1 1 8 In X 10 Ft Fry Reglet Clear Anodized Aluminum J Molding At Badgerland Supply Inc
badgerlandsupply.com

Http Www Kitchellftp Com Kfat Banner Bcgmc 5939a 20 20campus Upgrades Files Submittals Lobby 20remodel 20and 20ahu 204 Division 2009 20finishes 003 092118 0 20gypsum 20board 20assemblies 20fry 20reglets 20product 20data Pdf

Https S3 Amazonaws Com Cbsinetfiles Cbsinetfiles Content Fry Reglet Resourceguide Pdf

Fry Reglet F Reveal Molding Architecture Details Ceiling Design Ceiling Detail
www.pinterest.com

Drywall Reveals Moldings Drywall Reveals On Designer Pages
www.designerpages.com

Engineered Product Systems Fry Reglet Reveals Moldings Brochure Reveal Drywall Expansion Joint F Reveal Reveal Base Edge Trim F Reveal Corner Trim T Molding Radius
pdfslide.net

Fry Reglet Reveal Shadow U0026 Reveal Beads 5 33 Best Fry Reglet Images On Pinterest Architects Column Covers And Columns Mg8751jpg Fry Reglet Reveal Base Bathroom With Shower Curtain Dcs5050 Channel
www.tiznowrestaurant.com

Final Forms I Drywall Trim Reveals Gordon Interiors
www.gordon-inc.com

3 4 In X 1 2 In Gordon Final Forms Ii Reveal F Molding At Tejas Materials Inc
tejasmaterials.com

Fry Reglet Trim Door Jamb 2yamaha Com
2yamaha.com

Fry Reglet Drmf 50 375 F Reveal Molding Clear Anodized
www.bestmaterials.com

1 2 X 1 2 Aluminum F Reveal Trim Primed For Painting 8 0 Lengths Cap Drywall Trims
capdrywalltrims.com

Fry Reglet Fdm 625 50 F Reveal Molding Clear Anodized
bestmaterials.com

Fry Reglet Photos Facebook
www.facebook.com

Drywall Trims
www.drywalltrims.com

5 8 In X 3 4 In X 10 Ft Fry Reglet Clear Anodized Aluminum Contemporary Reveal At Badgerland Supply Inc
badgerlandsupply.com

Https Encrypted Tbn0 Gstatic Com Images Q Tbn 3aand9gcsdmwpwvlh Pzr3voapkjb5 Crmznlrxg4hgyq3gsvx88ril4z6 Usqp Cau
encrypted-tbn0.gstatic.com

Tamarack Materials Inc Fry Reglet
tamarackmaterials.com

Products Brand X Metals
brandxmetals.com

30 Best Fry Reglet Images Column Covers Cladding Systems Interior Window Trim
www.pinterest.com

Architectural Z Shadow Bead Trim Tex Drywall Products
www.trim-tex.com

Https Www Buildsite Com Pdf Fryreglet Fry Reglet Design Guide Edition 17 1329001 Pdf

Https Pdf4pro Com File 5910b Downloads Productresources Millwork Brochure E1 Pdf Pdf

Modern Trim How To Youtube
www.youtube.com

Https Encrypted Tbn0 Gstatic Com Images Q Tbn 3aand9gcqt4zob73kkknixfplhakymxqb4ukizxfy6frdbtinzt3fleppa Usqp Cau
encrypted-tbn0.gstatic.com

Fry Reglet Z Minimalist Floor Installation Wood Baseboard
www.pinterest.com

close